530-0041 大阪市北区天神橋2丁目5-28
千代田第二ビル 4階C号室
Tel 06-4801-9956
Fax 06-4801-9957

530-0041 大阪市北区天神橋2丁目5-28
千代田第二ビル 4階C号室
Tel 06-4801-9956
Fax 06-4801-9957
© Neutral Architect Office. All rights reserved.
東大阪市の家の現場の様子です。
クルミのフローリングが届いています。

130mmの無垢材、長手1.8mの「1枚物」というところがこだわり。910mm÷7=130mmでちょうどグリッド(通り芯)と合致するところも気に入ってます。

節のある床材の中で更に3つに分けて、収納内や目立たないところ、廊下やリビングなど目立つところなどで貼り分けてもらっています。

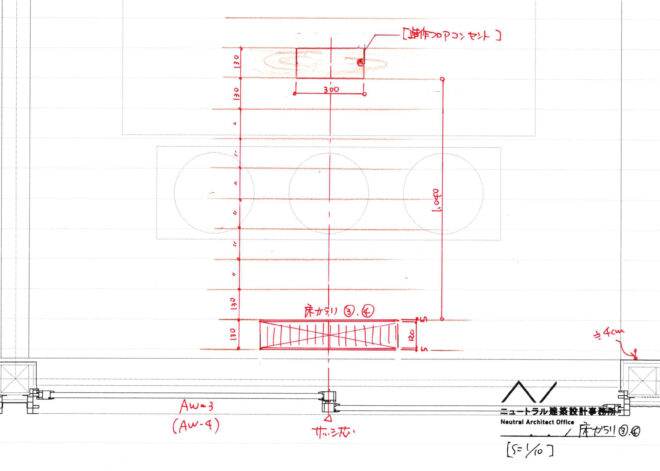
床割付けの基点を再検討して、床下空調のガラリ位置も床割に合わせて細かく検討しています。1階床はたくさん開口があって施工大変です。





玄関扉は断熱性能の高い既製の木製扉を採用しました。その両袖に明り取りのFIX窓を木枠で計画しています。既製枠との勝ち負けや床タイルとの取り合い、ガラス厚などを施工者さん達と確認し合って進めています。


建具や間仕切りの位置なども現場で実際に描いてみんなで確認。まず「こうしたい、ここを合わせたい」と設計が描き、監督さんや大工さんが「ということは、こうやね」と硬い鉛筆でビシッと位置を決めて描いてくれる。一人背負っていたものをみんなで担いでくれるような、図面がようやく現場に昇華されるような、何ともいえない好きな瞬間です。


北向きの小さな天窓ですが、とても良い効果を得られそうです。
